L'Hybrid 10 est brevetée chaudière modulante de 3 à 10 kW, et basse t° : adaptée aux maisons modernes et basse énergie.
Très compacte et entièrement automatique, l'Hybrid10 réagit selon les demandes de chauffage de l’utilisateur. En fonction de la t° désirée dans la maison et de la t° extérieure, la chaudière adapte sa puissance ainsi que sa t° de fonctionnement : avec un minimum de 38°... Ce fonctionnement à basse t° permet 15% d’économie d’énergie.
Conçue pour moduler, l'Hybdrid 10 n'a pas besoin de tampon : à tous les niveaux de puissance, la combustion est parfaite et contrôlée par sonde lambda. Un tampon est parfois utilisé à charge variable pour l'ECS. La chambre de combustion réfractaire cyclonique brevetée assure un brassage optimal et une bonne séparation des poussières.
L'Hybrid 10 est neutre en CO2 et préserve le climat. Elle convient aux maisons basse énergie et aux bâtiments qui consomment de 1,5 à 4 tonnes de pellets/an.
L'utilisateur détermine son chauffage : horaire et t°, puis la chaudière s'adapte. Une commande simplifiée est placée dans la maison.
Gestion de l'installation : 1 circuit direct, 2 mélangés, ECS, pompe bouclage et v3v retour. Extensible à 9 circuits. Gère aussi un tampon si il faut accumuler de l'énergie pour produire vite l'ECS.
Par internet, gestion de l'installation via ordinateur et/ou APP sur smartphone. Consultation : infos t°, quand vider les cendres, etc. Notification si défaut.
La sonde lambda analyse et maintient une bonne combustion selon la modulation de puissance et de t° départ : modulation de 38° à 80°. Echangeur à contre courant : plus efficace et performant. Nettoyage automatique de l'échangeur.
Chambre de combustion en carbure de silicium. Ce réfractaire résistant est adapté aux hautes & basses t° : ceci participe au maintien d'une combustion parfaite à toutes les puissances. L'effet cyclonique diminue le rejet de particules.
Transport pneumatique des pellets avec réglage du débit. 25m entre chaudière et réserve : sans dégât ni bourrage du combustible.
La chaudière est composée de matériaux nobles. La production, l'assemblage et la finition sont contrôlés et répondent à de très hautes exigences.
Les composants électroniques et électriques sont communs à toutes les chaudières GUNTAMATIC. Ceci assure un très haut niveau de fiabilité.
Les moteurs et ventilateurs sont dimensionnés pour une durée de vie de plus de 20 ans : avec réserve de couple très élevée.
Une chaudière fonctionne l'équivalent de 1500 à 2000 heures / an : à pleine puissance. Pour les nouveaux bâtiments ou les installations existantes, on peut déterminer le volume de pellets consommé /an. Idéalement, la réserve de pellets devrait être remplie une fois par an.
Les pellets doivent être acheminés de la réserve jusqu'au silo journalier de la chaudière. Pour atteindre la meilleure fiabilité, GUNTAMATIC a opté pour un système pneumatique combiné à une vis. Ainsi GUNTAMATIC gère la vitesse de la vis dans la réserve et peut donc maîtriser le débit de transfert des pellets dans le système d'aspiration.
Dans une plage horaire déterminée, la chaudière aspire des pellets une fois par jour. Grâce à la gestion du débit, la distance entre la chaudière et sa réserve peut aller jusqu'à 25 mètres : sans dégât ni bourrage.

Le box est une solution très confortable et simple à mettre en place. Il repose sur une structure et un fond métallique. Une toile en partie supérieure est fixée à cette structure.
La hauteur est ajustable, avec plusieurs hauteurs entre 180 & 250 cm de haut. La quantité de pellets stockée dépend du modèle de box, de la hauteur réglée et du type des pellets.
Box 5,2 M3 : 170x170 Hauteur réglable de 180 à 250 de 2,0 à 3,4 tonnes
Box 7,5 M3 : 210x210 Hauteur réglable de 180 à 250 de 3,0 à 4,7 tonnes
Box 8,3 M3 : 170x290 Hauteur réglable de 180 à 250 de 4,0 à 5,4 tonnes
Box 11 M3 : 250x250 Hauteur réglable de 180 à 250 de 5,0 à 6,7 tonnes
Pour augmenter le volume de stockage ou quand il n'y pas place pour un grand box, il est possible de placer 2 silobox avec un commutateur manuel pour passer de l'un à l'autre.
N. B. le box n'est pas étanche. Il ne peut pas être en contact avec la pluie.
Quand le volume pour accueillir un "grand box" n'est pas encore disponible, le minibox permet de patienter.
Avec des dimensions compactes : 70*70 H120 pour une contenace de 250 kg, ce minibox est fixé sur le même dessileur noir que le "grand" box. Ceci permet les mêmes possibilités avec l'aspiration chaudière. Ultérieurement, le minibox pourra être démonté du dessileur et être remplacé par un box de grande capacité.
Le minibox a été conçu pour un remplissage manuel au sac. Une grille permet d'y déposer le sac fermé : sans renverser... Ensuite le sac peut être ouvert et les pellets se déversent. Un couvercle de finition protège l'entrée de corps étrangers, mais empèche aussi la propogation de fines poussières de bois lors du transfert des pellets par pneumatique.
N. B. le minibox n'est pas étanche. Il ne peut pas être en contact avec la pluie.
Avec une vis centrale et 2 plans inclinés, une réserve "flex" est construite au départ d'une pièce existante ou avec des cloisons. Cette solution est conseillée quand on veut adapter la réserve de pellets au volume disponible.
Cette réserve "en dur" est aussi la meilleure solution pour les très grandes capacités. Cette réserve demandera plus de travail pour sa réalisation, mais sera à l'avenir la solution qui traversera au mieux le temps.
La vis flex est disponible en longueurs de 100, 150, 200, 250, 300, 350, 400, 450 et 500 cm. Attention, cette mesure donne la partie ouverte de la structure : là où la vis est visible. Forcément, la longueur disponible à l'intérieure de la réserve doit être supérieure à cette mesure.
La vis est assemblée avec 4 types d'éléments :
- un support final avec roulement et couvercle de protection.
- des éléments ouverts de 100 ou 150 cm avec gorges pour panneaux inclinés
- un élément fermé pour le passage mural, avec moteur et trappe de visite
| HYBRID 10 | ||
| Classe d'efficacité énergétique | A+ | |
| Combustible | A1 | ENplus |
| Puissance nominale | 10 | kW |
| Puissance minimale | 3 | kW |
| Plage de t° chaudière | 38 à 70 | °C |
| Volume d'eau | 45 | litre |
| Pression de service max. | 3 | bar |
| Départ retour | 1'' | Ø pouce |
| Débit pompe bouclage | 880 | lit / h |
| Besoin de tirage de cheminée | 0,05 | mbar |
| Tube de fumée | 100 | Ø mm |
| Ventillation chaufferie min. | 200 | cm² |
| Capacité silo journalier | 40 | lit |
| Longueur aspiration max. | 25 | m |
| Cendrier | 7 | lit |
| Largeur de passage | 60 | cm |
| Hauteur local min. | 230 | cm |
| Poids de transport env. | 150 | kg |
| Raccordement électrique | 230 / 13 | V / A |
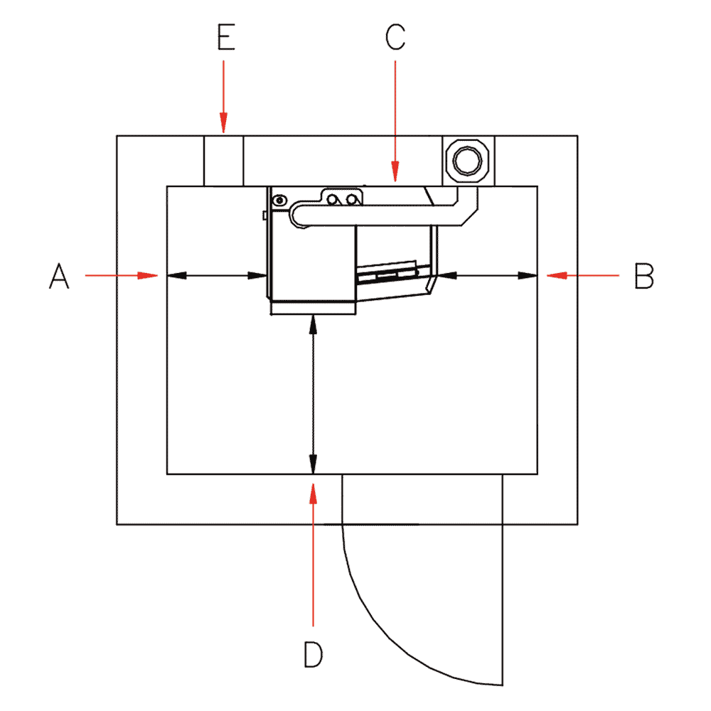
A : distance à gauche : 50 cm
mini 20 cm
B : distance à droite : 50 cm
possible 0 cm
C : distance à l’arrière : 0 cm : contre le mur
D : distance à l’avant : 100 cm
mini 80 cm
E : ventilation : min 200 cm²
HSP : idéale 230 cm, min 195 cm
Hybrid brochure commerciale
Hybrid 10 notice d'utilisation et d'entretien
GUNTAMATIC online : gestion via internet
Hybrid photos
Hybrid 10